toggle navigation
Menu
English
Home
西部式超仕上とは
製品ガイド
製品分類で探す
加工部位で探す
機種名 で探す
会社案内
ご挨拶
西部自動機器とは
沿革
会社概要
求人情報
お問合わせ
English
お問合わせ
English
Home
西部式超仕上とは
製品ガイド
製品分類で探す
加工部位で探す
機種名 で探す
会社案内
ご挨拶
西部自動機器とは
沿革
会社概要
求人情報
お問合わせ
全自動芯無内径超仕上盤 (ダブル・ステーション マシン)
主要加工物:
円筒ローラー、ブッシュ、ニードル軸受外輪内径等 内径 超仕上加工
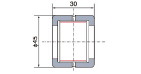
標準加工範囲:
外径φ10 〜 φ45 mm x ワーク幅 7〜 30 mm
AN-30D
加工事例
1) ブッシュ
2) ローラー
3) 針状ころ軸受
特徴
円筒形状ワークの内径超仕上加工に最適
2ステーションタイプで各ステーションにて粗・仕上超仕上加工に対応し、取り代が比較的多いワークのサイクルタイム短縮可能
2ローラ1シューセンタレスサポート方式のインフィード型超仕上盤。プランジ加工やトラバース加工に対応可能
NC制御でツールイン・アウト、及びトラバースカットを行うことにより、サイクルタイムの短縮と高精度を実現
加工物 カムフォロアー
主仕様
1 ) 加工範囲
外径
φ10 ~ φ45 mm
内径
φ7 ~ φ30 mm
幅
10 ~ 23 mm
2 ) ワーク支持方式
2ローラ、1シューセンタレスサポート方式
3 ) 上部・下部ローラ駆動装置部(2式)
ローラ外径
φ105 mm
(φ110 mm:加工物外径φ10 ~ 18)
ローラ回転数
Max. 933 rpm
自動多段切替
駆動モータ
インバータ制御
4 ) ストンヘッド装置部(2式)
加圧ストローク
20 mm
電空レギュレータ制御
砥石加圧
自動多段切替
5 ) 超仕上ユニット装置部(2台)
オシレーション装置
振動数
Max. 2,500 fpm
自動多段切替
振幅
オシレーションリング交換式
駆動モータ
インバータ制御
トラバース装置(2式)
トラバースストローク
50 mm
駆動モータ
ACサーボモータ
6 ) 機械寸法
(W)2,200 ×(D)1,290 ×(H)1,900 mm
7 ) 機械重量
3,500 Kg
注)仕様は予告なく変更することがあります。